电话:0371-64016111
热线:13140192925
传真:
邮箱:jygs18@163.com
地址:河南省巩义市西村永安南路

SD341X双法兰伸缩蝶阀产品用途 SD341X法兰式伸缩蝶阀具有自动补偿管道热胀冷缩方便装卸的功能,使用于温度在425℃以下,公称压力在1.6MPa以下的石油、化工、电力、造纸、给排水和市政建设等工业管道上作调节流量和载断流体的装置。
SD341X双法兰伸缩蝶阀产品用途
SD341X法兰式伸缩蝶阀具有自动补偿管道热胀冷缩方便装卸的功能,使用于温度在425℃以下,公称压力在1.6MPa以下的石油、化工、电力、造纸、给排水和市政建设等工业管道上作调节流量和载断流体的装置。
SD341X双法兰伸缩蝶阀阀门型号
法兰式伸缩蝶阀常见的型号有:sd341x、sd341x-6、sd341x-10、sd341x-16、sd641x、sd641x-10p、sd941x、sd341f、sd641f、sd941f、sd341h、sd641h、sd941h等。
SD341X双法兰伸缩蝶阀产品特点
1、结构独特,设计灵活,重量轻,省力,启闭迅速。
2、伸缩蝶阀不仅能补偿管道温差缩产生的热胀冷缩的功能,还能为维修阀门安装更换提供方便。
3、密封部位可调节更换,密封性能可靠。
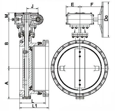
SD341X双法兰伸缩蝶阀结构示意图

SD341X双法兰伸缩蝶阀安装注意事项
伸缩蝶阀安装前平放,切勿随意磕碰,运行时严禁将支架卸掉。
伸缩蝶阀出厂时结构长度为长度,安装时,拉至安装长度(即设计长度)。
当管道间长度超过伸缩阀安装长度时,请调整管道间隔,切勿强行拉伸缩蝶阀,以免损坏蝶阀。
伸缩蝶阀可在任意安装,做温度补偿用时,在管道安装完成后,需沿管道轴线方向两端加支架,防止伸缩阀伸缩管拉出。

SD341X双法兰伸缩蝶阀性能参数
| 工作压力(MPa) | 0.6 | 1.0 | |||
| 适用温度(℃) | ≤120 | 依各种不同胶种而定 | ≤120 | ||
| 适用介质 | 水、污水、油品、空气等 | 依各种不同胶种而定 | 水、污水、油品、空气等 | ||
| 材料 | 阀体 | 灰铸铁 | 灰铸铁 | 球墨铸铁 | |
| 蝶板 | 球墨铸铁(表面处理) | 球墨铸铁、不锈钢 | 球墨铸铁 | ||
| 阀杆 | 2Cr13 | 不锈钢、碳素钢 | 铬不锈钢 | ||
主要外形尺寸
| DN | L | L1 max | A | B | E | F | J | M | Do |
| 50 | 160 | 172 | 83 | 120 | 90 | 205 | 83 | 115 | 200 |
| 65 | 160 | 172 | 89 | 145 | 90 | 205 | 83 | 115 | 200 |
| 80 | 180 | 195 | 98 | 158 | 90 | 205 | 83 | 115 | 200 |
| 100 | 195 | 215 | 110 | 170 | 90 | 205 | 83 | 115 | 200 |
| 125 | 205 | 225 | 123 | 182 | 90 | 205 | 83 | 115 | 200 |
| 150 | 205 | 225 | 140 | 210 | 90 | 205 | 83 | 115 | 200 |
| 200 | 218 | 238 | 170 | 238 | 90 | 205 | 83 | 115 | 200 |
| 250 | 233 | 258 | 195 | 270 | 90 | 205 | 83 | 134 | 250 |
| 300 | 248 | 268 | 222 | 300 | 90 | 205 | 83 | 134 | 250 |
| 350 | 278 | 303 | 252 | 330 | 120 | 265 | 141 | 159 | 250 |
| 400 | 298 | 323 | 285 | 368 | 120 | 265 | 141 | 159 | 250 |
| 450 | 311 | 336 | 310 | 402 | 185 | 250 | 115 | 163 | 250 |
| 500 | 330 | 355 | 337 | 438 | 185 | 250 | 115 | 163 | 315 |
| 600 | 350 | 375 | 393 | 490 | 245 | 400 | 145 | 185 | 315 |
| 700 | 364 | 395 | 450 | 558 | 245 | 400 | 145 | 185 | 315 |
| 800 | 415 | 445 | 515 | 625 | 310 | 460 | 191 | 220 | 315 |
| 900 | 435 | 475 | 560 | 685 | 310 | 460 | 191 | 220 | 400 |
| 1000 | 510 | 550 | 610 | 750 | 410 | 55 | 270 | 255 | 400 |
| 1200 | 590 | 630 | 825 | 880 | 410 | 55 | 270 | 255 | 400 |
| 1400 | 590 | 630 | 840 | 987 | 520 | 640 | 351 | 320 | 400 |
| 1600 | 626 | 660 | 960 | 1158 | 520 | 785 | 440 | 335 | 630 |
| 1800 | 670 | 710 | 1060 | 1258 | 520 | 640 | 351 | 320 | 400 |
| 2000 | 680 | 720 | 1165 | 1365 | 520 | 640 | 351 | 320 | 400 |
| 2200 | 700 | 740 | 1325 | 1470 | 520 | 640 | 351 | 320 | 400 |
注释:1、表中阀门数据是在PN1.0MPa下;2、表中阀门重量为铸钢阀门重量;3、阀门材料可根据客户要求制造。
管道专用橡胶接头KXT型安装使用大全 2020-01-07
好的工艺才能生产出质量的橡胶接头 2020-01-09
佳誉供水直流无推力套筒补偿器工作原理 2018-12-20
橡胶接头巩义佳誉实力厂家教你如何 2020-01-08
双法兰限位伸缩接头安装小知识 2020-01-08
佳誉单球橡胶接头的特点有哪些 2018-12-20
双法兰传力接头在管道安装中具有哪些优 2020-01-09
直流无推力套筒补偿器工作原理 2018-12-20
双法兰传力接头的型号介绍 2020-01-07
ZTWB型直流介质无推力补偿器的技术 2018-12-20
导致橡胶接头老化的原因和预防措施有哪 2020-01-12
ZTWB型直流介质无推力补偿器作用 2018-12-20